01.101 Fucoli slussventiler serie 3000 med fläns F4 PN10/16
Fucoli-Somepal slussventil. Med fläns; kort bygglängd F4; fritt genomlopp.
Fördelar
- Fullt vulkanizerad kägla med fixerad spindelmutter
- Spindelmutter CW617N (accepterad UBA lista)
- 4 spindeltätningar för att säkerställa lång hållbarhet
- Fritt genomlopp
- Stängning lägre än standard
- Försänkta bultar som är skyddade med smältmassa
- Kamring som fixerar spindel och ger låga stängningsmoment
- Blå för vatten (EPDM)Rödbrun för avlopp (NBR) Finns även för gas
Dokument och länkar
Fucoli-Somepal 01.101 slussventiler
Med kort bygglängd F4; fritt genomlopp
|
RSK nr.EPDM
|
RSK nr.NBR
|
DN
|
Fläns-borrning
|
Dmm
|
Lmm
|
Hmm
|
H1mm
|
Kmm
|
Spindel(a)mm
|
a1mm
|
a2mm
|
Varv
|
MaxNm
|
Viktkg
|
Varukorg
|
|---|---|---|---|---|---|---|---|---|---|---|---|---|---|---|---|
|
441 72 45
|
4376326
|
40
|
PN10/16
|
150
|
140
|
203
|
278
|
110
|
14,1
|
20
|
29
|
10
|
25
|
8
|
|
|
441 72 46
|
4376327
|
50
|
PN10/16
|
165
|
150
|
235
|
318
|
125
|
14,1
|
20
|
29
|
13
|
25
|
10
|
|
|
441 72 47
|
4376328
|
60
|
PN10/16
|
175
|
170
|
250
|
338
|
135
|
17,1
|
22
|
34
|
13
|
30
|
12
|
|
|
441 72 48
|
4376329
|
65
|
PN10/16
|
185
|
170
|
250
|
343
|
145
|
17,1
|
22
|
34
|
13
|
30
|
12
|
|
|
441 72 49
|
4376330
|
80
|
PN10/16
|
200
|
180
|
290
|
390
|
160
|
17,1
|
22
|
34
|
16
|
40
|
17
|
|
|
441 72 50
|
4376331
|
100
|
PN10/16
|
220
|
190
|
325
|
435
|
180
|
19,1
|
24
|
38
|
20
|
50
|
20
|
|
|
441 72 51
|
4376332
|
125
|
PN10/16
|
250
|
200
|
362
|
487
|
210
|
19,1
|
26
|
38
|
25
|
60
|
24
|
|
|
441 72 52
|
4376333
|
150
|
PN10/16
|
285
|
210
|
425
|
568
|
240
|
19,1
|
28
|
38
|
30
|
75
|
35
|
|
|
441 72 53
|
4376334
|
200
|
PN10
|
340
|
230
|
505
|
675
|
295
|
24,1
|
32
|
42
|
34
|
100
|
50
|
|
|
441 72 54
|
4376335
|
200
|
PN16
|
340
|
230
|
505
|
675
|
295
|
24,1
|
32
|
42
|
34
|
100
|
50
|
|
|
441 72 55
|
4376336
|
250
|
PN10
|
400
|
250
|
595
|
795
|
350
|
27,1
|
36
|
47
|
42
|
125
|
72
|
|
|
441 72 56
|
4376337
|
250
|
PN16
|
400
|
250
|
595
|
795
|
355
|
27,1
|
36
|
47
|
42
|
125
|
72
|
|
|
441 72 57
|
4376338
|
300
|
PN10
|
455
|
270
|
670
|
898
|
400
|
27,1
|
36
|
47
|
50
|
150
|
105
|
|
|
441 72 58
|
4376339
|
300
|
PN16
|
455
|
270
|
670
|
898
|
410
|
27,1
|
36
|
47
|
50
|
150
|
105
|
|
|
441 72 60
|
4376340
|
350
|
PN10
|
505
|
290
|
940
|
1193
|
460
|
32,1
|
45
|
55
|
57
|
175
|
226
|
|
|
441 72 61
|
4376341
|
350
|
PN16
|
520
|
290
|
940
|
1200
|
470
|
32,1
|
45
|
55
|
57
|
175
|
227
|
|
|
441 72 62
|
4376342
|
400
|
PN10
|
565
|
310
|
940
|
1223
|
515
|
32,1
|
45
|
55
|
57
|
200
|
251
|
|
|
441 72 63
|
4376343
|
400
|
PN16
|
580
|
310
|
940
|
1230
|
525
|
32,1
|
45
|
55
|
57
|
200
|
261
|
|
|
441 72 64
|
4376344
|
450
|
PN10
|
615
|
330
|
1120
|
1428
|
565
|
32,1
|
50
|
55
|
71
|
225
|
397
|
|
|
441 72 65
|
4376345
|
450
|
PN16
|
640
|
330
|
1120
|
1440
|
585
|
32,1
|
50
|
55
|
71
|
225
|
415
|
|
|
441 72 66
|
4376346
|
500
|
PN10
|
670
|
350
|
1120
|
1455
|
620
|
32,1
|
50
|
55
|
71
|
250
|
427
|
|
|
441 72 67
|
4376347
|
500
|
PN16
|
715
|
350
|
1120
|
1478
|
650
|
32,1
|
50
|
55
|
71
|
250
|
428
|
|
|
429 60 63
|
4296095
|
600
|
PN 10
|
780
|
390
|
1290
|
1680
|
725
|
41,1
|
60
|
74
|
86
|
689
|
|
|
|
429 60 94
|
4296096
|
600
|
PN 16
|
840
|
390
|
1290
|
1710
|
770
|
41,1
|
60
|
74
|
86
|
690
|
|
Arbetstemperatur: 0-70°C (ej frost)
Standarder:
Designad enl. EN 1074 del 1 & 2 och EN 1171
Flänsar enligt EN 1092-2 PN10/16
Bygglängd enl EN 558 F4
På förfrågan:
Spindel i andra kvaliteter
Större slussventiler
Ventil för gas (16.101)
Tillverkad i Europa
15 års garanti
|
|
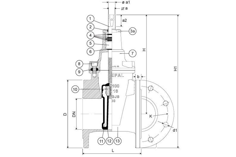
Komponent
|
Material BLÅ/RÖDBRUN
|
Standard
|
|---|---|---|---|
|
1
|
Spindel
|
Syrafast spindel med rullade gängor 1.4404
|
EN 10088-1
|
|
2
|
Avstrykarring
|
Elastomer
|
|
|
3
|
Övre spindelmutter
|
Mässing
|
EN 12164
|
|
4
|
O-ring
|
Elastomer EPDM/NBR
|
EN 681-1
|
|
5
|
Spindelmutter
|
Fixerad spindelmutter av avzinkningshärdig mässing (CuZn36Pb3)
|
EN 12164
|
|
6
|
O-ring
|
Elastomer EPDM/NBR
|
EN 681-1
|
|
7
|
Överdel
|
Segjärn EN-GJS-500-7
|
EN 1563
|
|
8
|
Bultar
|
Rostfritt stål A2
|
EN 10088-1
|
|
9
|
Överdel packning
|
Utblåsningssäker EPDM/NBR
|
EN 681-1
|
|
10
|
Spindelmutter
|
Mässing
|
EN 12164
|
|
11
|
Kägla
|
Segjärn EN-GJS-500-7
|
EN 1563
|
|
12
|
Beläggning kägla
|
Fullt vulkaniserad EPDM/NBR
|
EN 681-1
|
|
13
|
Ventilhus
|
Segjärn EN-GJS-500-7
|
EN 1563
|
|
14
|
Lager
|
Stål
|
ISO 20516
|