01.210 Fucoli slussventil Nexus med fläns F5 PN10/16
Fucoli-Somepal mjukstängande slussventil. Med fläns; kort bygglängd F4; fritt genomlopp.
Fördelar
- Fritt genomlopp
- Stängningsmoment lägre än standard
Dokument och länkar
Fucoli-Somepal 01.210 slussventiler
Fritt genomlopp
|
RSK nr.EPDM
|
RSK nr.NBR
|
DN
|
Fläns-borrning
|
Dmm
|
Lmm
|
Hmm
|
H1mm
|
Kmm
|
Spindel(a)mm
|
a1mm
|
a2mm
|
Varv
|
Viktkg
|
Varukorg
|
|---|---|---|---|---|---|---|---|---|---|---|---|---|---|---|
|
4376417
|
4376433
|
50
|
PN10/16
|
165
|
250
|
214
|
297
|
125
|
14,1
|
18
|
29
|
13
|
10
|
|
|
4376418
|
4376434
|
65
|
PN10/16
|
185
|
270
|
252
|
345
|
145
|
17,1
|
22
|
34
|
14
|
12
|
|
|
4376419
|
4376435
|
80
|
PN10/16
|
200
|
280
|
277
|
377
|
160
|
17,1
|
22
|
34
|
16
|
14
|
|
|
4376420
|
4376436
|
100
|
PN10/16
|
220
|
300
|
306
|
416
|
180
|
19,1
|
23
|
38
|
20
|
19
|
|
|
4376421
|
4376437
|
125
|
PN10/16
|
250
|
325
|
342
|
467
|
210
|
19,1
|
23
|
38
|
25
|
22
|
|
|
4376422
|
4376438
|
150
|
PN10/16
|
285
|
350
|
400
|
542
|
240
|
19,1
|
26
|
38
|
30
|
35
|
|
|
4376423
|
4376439
|
200
|
PN10
|
340
|
400
|
471
|
641
|
295
|
24,1
|
28
|
38
|
40
|
52
|
|
|
4376424
|
4376440
|
200
|
PN16
|
340
|
400
|
471
|
641
|
295
|
24,1
|
28
|
38
|
40
|
52
|
|
|
4296072
|
4296076
|
250
|
PN10
|
400
|
450
|
601
|
801
|
350
|
27,1
|
32
|
47
|
42
|
78
|
|
|
4296073
|
4296077
|
250
|
PN16
|
400
|
450
|
601
|
801
|
355
|
27,1
|
32
|
47
|
42
|
78
|
|
|
4296074
|
4296078
|
300
|
PN10
|
455
|
500
|
682
|
910
|
400
|
27,1
|
32
|
47
|
50
|
|
|
|
4296075
|
4296079
|
300
|
PN16
|
455
|
500
|
682
|
910
|
410
|
27,1
|
32
|
47
|
50
|
|
Arbetstemperatur: 0-70°C (ej frost)
Standarder:
Designad enl. EN 1074 del 1 & 2 och EN 1171
Flänsar enligt EN 1092-2 PN10/16
Bygglängd enl EN 558 F4
På förfrågan:
Spindel i andra kvaliteter
Större slussventiler
Tillverkad i Europa
|
|
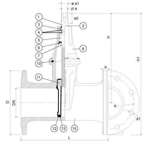
Komponent
|
Material BLÅ/RÖDBRUN
|
Standard
|
|---|---|---|---|
|
1
|
Spindel
|
Syrafast spindel med rullade gängor 1.4404
|
EN 10088-1
|
|
2
|
Avstrykarring
|
Elastomer
|
|
|
3
|
Lager
|
POM
|
|
|
4
|
O-ring
|
Elastomer EPDM/NBR
|
EN 681-1
|
|
5
|
Spindelmutter
|
Fixerad spindelmutter av avzinkningshärdig mässing (CuZn36Pb3)
|
EN 12164
|
|
6
|
Läpptätning
|
Elastomer EPDM/NBR
|
EN 681-1
|
|
7
|
Stoppring
|
Rostfritt stål
|
EN 10088-1
|
|
8
|
Överdel
|
Segjärn EN-GJS-500-7
|
EN 1563
|
|
9
|
Bultar
|
Rostfritt stål A2
|
EN 10088-1
|
|
10
|
Överdel packning
|
Utblåsningssäker EPDM/NBR
|
EN 681-1
|
|
11
|
Spindelmutter
|
Mässing
|
EN 12164
|
|
12
|
Kägla
|
Segjärn EN-GJS-500-7
|
EN 1563
|
|
13
|
Beläggning kägla
|
Fullt vulkaniserad EPDM/NBR
|
EN 681-1
|
|
14
|
Glidguide
|
Polyamid
|
|
|
15
|
Ventilhus
|
Segjärn EN-GJS-500-7
|
EN 1563
|