Hymax Grip rak koppling
Hymax Grip - dragfasta rörkopplingar DN40-DN350 för alla rörmaterial
Fördelar
- För alla rörtyper, stor spännvidd
- Enkel installation, t-handtag, åtdragning från ovansidan
- Upp till 8 graders avvinkling
- Kan användas som skjutmuff
Viktigt!
Vid montage av Hymax Grip på PE-rör rekommenderar vi att IBECO stödhylsor används.
Dokument och länkar
Hymax Grip dragfasta rörkopplingar
Dragfasta för alla rörtyper
|
RSK nr.
|
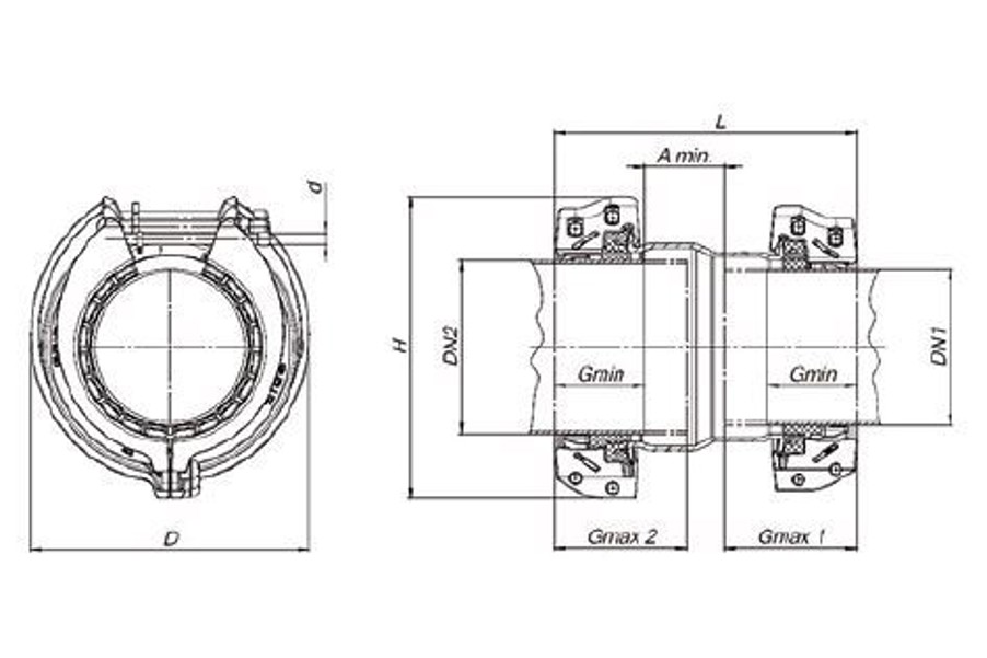
DN
|
Spännviddtotal (mm)
|
Spännviddmed inre tätning
|
Spännviddutan inre tätning
|
Lmm
|
Hmm
|
Dmm
|
G-Maxinstickslängd
|
Aminmm
|
Bultantalxdim
|
Hylsamm
|
MinNm
|
Viktkg
|
Varukorg
|
|---|---|---|---|---|---|---|---|---|---|---|---|---|---|---|
|
1150495
|
40-50
|
39 -67
|
39 -56
|
55 -67
|
254
|
190
|
136
|
115
|
20
|
2 x M14
|
22
|
65
|
7
|
|
|
1150522
|
65
|
59 -87
|
59 -76
|
75 -87
|
254
|
205
|
157
|
115
|
20
|
2 x M14
|
22
|
65
|
9,2
|
|
|
1150523
|
80
|
80 -106
|
80 - 95
|
94 -106
|
303
|
230
|
176
|
140
|
20
|
2 x M14
|
22
|
65
|
11,6
|
|
|
1150524
|
100
|
104-130
|
104-118
|
117-130
|
301
|
249
|
199
|
140
|
25
|
2 x M16
|
24
|
100
|
12
|
|
|
1150525
|
125
|
130-162
|
130-146
|
145-162
|
342
|
299
|
253
|
160
|
25
|
2 x M16
|
24
|
110
|
20,4
|
|
|
1150526
|
150
|
158-190
|
158-174
|
173-190
|
342
|
330
|
280
|
160
|
25
|
2 x M16
|
24
|
130
|
22,8
|
|
|
1150527
|
200
|
198-230
|
198-214
|
213-230
|
342
|
375
|
324
|
160
|
35
|
2 x M16
|
24
|
130
|
27,8
|
|
|
1150528
|
200
|
190-240
|
190-215
|
214-240
|
403
|
398
|
366
|
190
|
35
|
4 x M16
|
24
|
120
|
45,3
|
|
|
1150529
|
225
|
214-264
|
214-239
|
238-264
|
403
|
424
|
390
|
190
|
35
|
4 x M16
|
24
|
140
|
49,1
|
|
|
1150530
|
250
|
266-316
|
266-291
|
290-316
|
403
|
480
|
442
|
190
|
55
|
4 x M16
|
24
|
140
|
57,6
|
|
|
1150531
|
300
|
312-362
|
312-337
|
336-362
|
403
|
525
|
489
|
190
|
55
|
4 x M16
|
24
|
180
|
66,2
|
|