IBECO långa PE övergångar till invändig gänga
Ibeco långa PE övergångar till invändig gäng för elsvetsmuff eller stumsvets.
Dokument och länkar
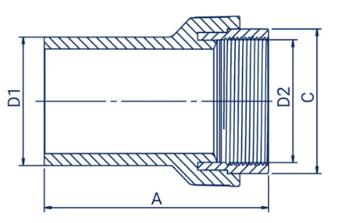
IBECO långa PE övergångar till invändig gäng
För elsvetsmuff el. stumsvets; PE100RC, PN16, SDR11; mässing
|
RSK nr.
|
rör YDmm
|
AnslutningD2
|
LängdA (mm)
|
C (mm)
|
Varukorg
|
|---|---|---|---|---|---|
|
2400011
|
20
|
inv. G15
|
77
|
26
|
|
|
2400012
|
25
|
inv. G20
|
78
|
32
|
|
|
2400013
|
32
|
inv. G25
|
83
|
40
|
|
|
2540210
|
40
|
inv. G25
|
88
|
40
|
|
|
2400014
|
40
|
inv. G32
|
96
|
48
|
|
|
2400015
|
50
|
inv. G40
|
103
|
55
|
|
|
2400016
|
63
|
inv. G50
|
115
|
67
|
|
|
2400017
|
75
|
inv. G65
|
130
|
83
|
|
|
2400019
|
90
|
inv. G80
|
147
|
96
|
|
|
2400020
|
110
|
inv. G100
|
160
|
122
|
|
|
2400021
|
125
|
inv. G100
|
160
|
122
|
|
Standard:
Gängor enl EN-10226-1
Material:
PE100RC
Mässing CW617N
På förfrågan:
Andra material