Varukorg ( 0 )
swe

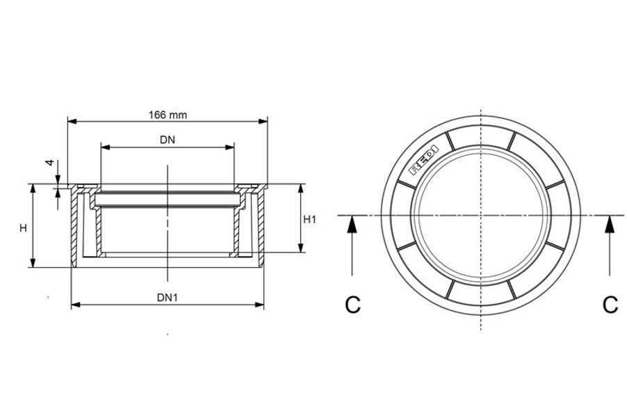
Reducering EasyClip

IBECO Reducering

Art. nr.
RSK nr.
DNmm
DN1
DN2
H
H1
S
Varukorg
686348
2222941
110
160
166
69.5
57
4

Vill du veta mer? Låt oss kontakta dig!